Mô tả
Mô tả
Module QA-17B là Module vừa có tính năng điều khiển đồng thời giám sát 1 ngõ vào sử dụng kết nối đường Loop vào hệ thống báo cháy địa chỉ Horing. Module QA-17B thường được sử dụng để điều khiển thiết bị ngoại vi hay chuông còi đèn báo cháy loại thường thông qua tiếp điểm khô của Relay trong Module hoặc dùng đồng thời như 1 Module giám sát đầu báo thường hay giám sát hệ thống ngoại vi khác bất kì. Có thể sử dụng 2 mục đích vào/ra cùng lúc rất linh hoạt và đa dạng.
Tính năng
Tiêu thụ điện thấp, tính ổn định cao
Có thể thiết lập địa chỉ bằng công tắc gạt ngay trên Module dễ dàng
Có thể sử dụng vừa làm Module giám sát, vừa làm Module điều khiển
Terminal phía ngõ vào và ngõ ra riêng biệt, dễ dàng đấu nối
Led trạng thái tích hợp trên Module quan sát rõ ràng
Lắp đặt
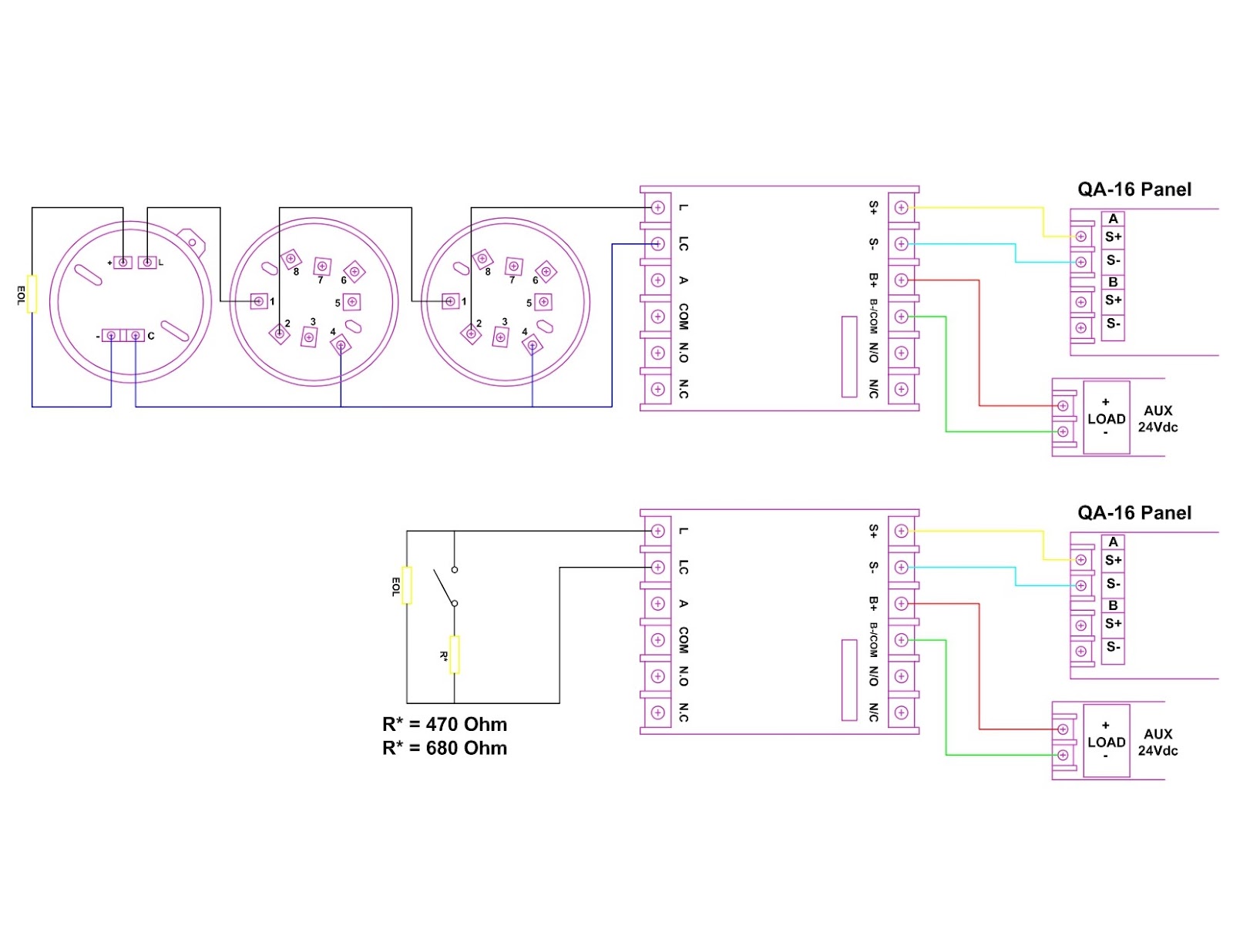
Terminal S+ của Module kết nối vào Terminal S+ của Trung tâm báo cháy địa chỉ Horing hoặc đường Loop + (dương) của thiết bị địa chỉ trước đó
Terminal S- của Module kết nối vào Terminal S- của Trung tâm báo cháy địa chỉ Horing hoặc đường Loop - (âm) của thiết bị địa chỉ trước đó
Terminal B+ của Module kết nối đến Terminal LOAD + của Trung tâm báo cháy địa chỉ Horing hoặc cực + (dương) nguồn phụ 24Vdc
Terminal B-/COM của Module kết nối đến Terminal LOAD - của Trung tâm báo cháy địa chỉ Horing hoặc cực - (âm) nguồn phụ 24Vdc
*** Khi dùng Module QA-17B để giám sát đầu báo thường hoặc giám sát thiết bị ngoại vi thì:
Terminal L & C của Module kết nối đến đầu báo thường hoặc kết nối đến tiếp điểm khô của thiết bị ngoại vi
Xem hình đấu nối chi tiết ==> tại đây
*** Khi dùng Module QA-17B để điều khiển thì:
Terminal B-/COM của Module kết nối đến cực - (âm) chuông, còi, đèn loại thường 24Vdc
Terminal N.O của Module phía "DC 24V Output" kết nối đến cực + (dương) chuông, còi, đèn loại thường 24Vdc
Terminal COM, NO, NC của Module phía "Dry Contact" là tiếp điểm khô ngõ ra điều khiển thiết bị ngoại vi
Xem hình đấu nối chi tiết ==> tại đây
Thông số kỹ thuật
Loại: Module giám sát và điều khiển
Mục đích: Giám sát tín hiệu từ bên ngoài, giám sát đầu báo thường hoặc điều khiển chuông còi đèn và thiết bị ngoại vi
Điện trở giám sát cần: 10kΩ
Mã lập trình địa chỉ: Hệ nhị phân
Số lượng ngõ vào/ra: 1 ngõ vào và 2 ngõ ra
Công suất tiếp điểm ngõ ra: 1.5A tại 30Vdc
Nhiệt độ môi trường sử dụng: 0°C ~ 50°C
Vật liệu vỏ: Nhựa ABS chịu nhiệt
Màu: Xanh
Kích thước (Cao x Rộng x Sâu): 60mm x 76mm x 31mm
Xuất xứ: Horing/Đài Loan
Tiêu chuẩn & phê duyệt: CE
Tải về
Tải Datasheet ==> tại đây
Sản phẩm gợi ý
Công ty TNHH Kỹ thuật Trí Tín
Địa chỉ: 163/17B Liên khu 5-6, P. Bình Hưng Hòa B, Q. Bình Tân, TP. Hồ Chí Minh
MST: 0316133327
Điện thoại: 0936.076.902
Kinh doanh: sales.tritintechnical@gmail.com
Hỗ trợ: help.tritintechnical@gmail.com